• -1,54 €
  • Anode magnésium à souder - 6 kg - N°1 - comptoirnautique.com
  • Anode magnésium à souder - 6 kg - N°2 - comptoirnautique.com
  • Anode magnésium à souder - 6 kg - N°1 - comptoirnautique.com
  • Anode magnésium à souder - 6 kg - N°2 - comptoirnautique.com

Anode magnésium à souder - 6 kg

Réf. MG509

Anode magnésium Tecnoseal à souder. Peut être percée pour vissage.

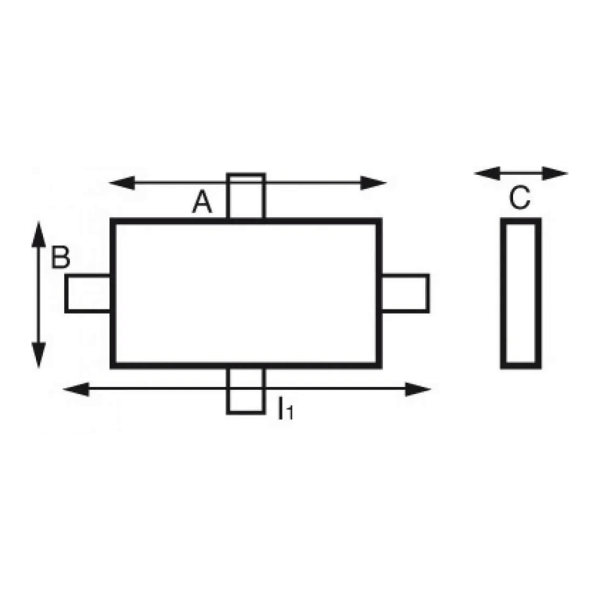
Dimensions :

A : 530mm, B : 135mm, C : 60mm, I1 : 715mm
Poids : 6 kg

Caractéristiques
369,90 € TTC
Prix public
371,44 €
Prix HT / DOM-TOM 308,25 €
Quantité
En stock sous 48h/72h
369 points de fidélité.
MG509

Caractéristiques

Type de produit
Anode

Avis clients (0)

Questions / Réponses

Retour en haut
Mon panier
Votre panier est vide